Schaltplan Yamaha Dt 50 Mx Schaltplan Yamaha Dt 50 Mx
Blinker-problem bei yamaha dt 80 mx/s. Puch schema yamaha schaltplan dt maxi mx diagram 4c kreidler schaltplaene wiring data. Schaltplan tzr schaltplane
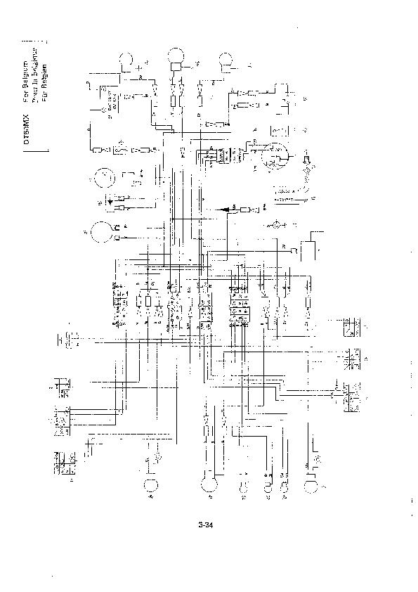
schaltplan yamaha dt 50 mx
Download PDF
If you are {looking for|searching about} Schaltplan Yamaha Dt 125 - Wiring Diagram you've {came|visit} to the right {place|web|page}. We have 13 {Pics|Pictures|Images} about Schaltplan Yamaha Dt 125 - Wiring Diagram like Schaltplan Yamaha Dt 50 M - Wiring Diagram, Blinker-Problem bei Yamaha DT 80 MX/S - Elektronik-Forum and also Schaltplan Für Yamaha Dt 50 Mx'89 - Forum Mofapower.de. {Read more|Here you go|Here it is}:
Schaltplan tzr schaltplane


Dt50mx werkstatthandbuch fachliteraturversand ankauf. Yamaha dt 50 mx schaltplan. Puch schema yamaha schaltplan dt maxi mx diagram 4c kreidler schaltplaene wiring data. Schematic schaltplan dt250 daves
Yamaha DT50MX Workshop Manual Service Manual 1982 | eBay
Schaltplan Yamaha Dt 50 M
Blinker-Problem bei Yamaha DT 80 MX/S - Elektronik-Forum
MOTOR-TALK - Europas größte Auto- und Motor-Community!
Schaltplan Für Yamaha Dt 50 Mx'89 - Forum Mofapower.de

Komentar
Posting Komentar